
16 channels of I2C and SMBus GPIO expanders with interrupt outputs
I2C/SMBus to 16-channel GPIO
400kHz fast I2C bus
With 3 configurable I2C address pins
Active low-interrupt output is supported
Operating temperature: -40°C~85°C
Package: TSSOP24
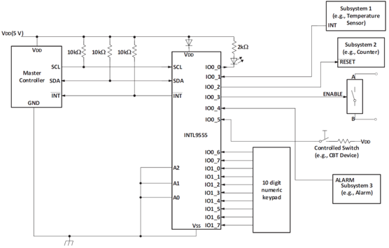
INTL9555 is a 24-pin device that provides 16-bit general-purpose parallel input and output expansion for a two-wire bidirectional I2C bus (or SMBus). The device operates from a supply voltage ranging from 1.65V to 5.5V. The INTL9555 functions include generating an interrupt on the INT pin when the state of the input port changes. The A0, A1, and A2 hardware selectable address pins allow up to 8 INTL9555 devices on the same I2C bus.

Application Diagram
Server
Storage
Switch
Router
Copyright © 2019-2025 成都星拓微电子科技股份有限公司 版权所有 备案编号: 蜀ICP备2022009451号 川公网安备 51019002004893号